Ніжка Integrato G з шипами, h=25мм/175кг, з регулюванням, Italiana ferramenta

В наявності

Ніжка Integrato G з шипами, h=25мм/175кг, з регулюванням, Italiana ferramenta

₴ 73.70 шт
  • Кратність продажів:1
  • Артикул:№ 000004047
  • Виробник:Italiana Ferramenta
  • Одиниця виміру:шт
  • Гарантія: -

Технічний опис

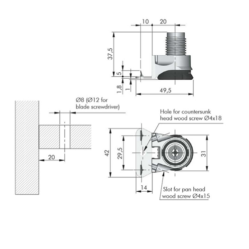
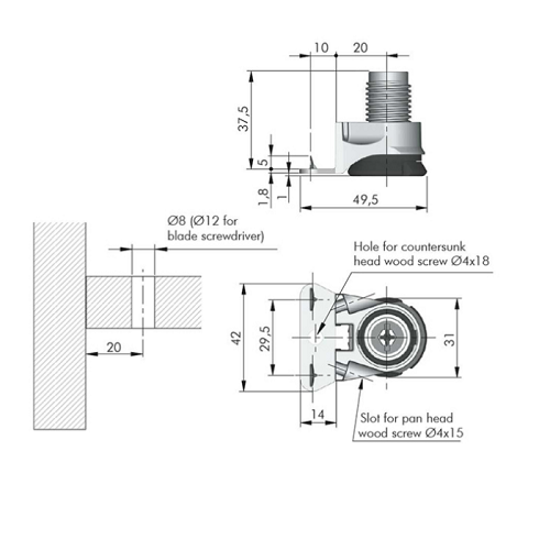
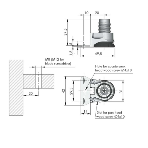
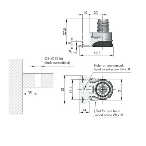
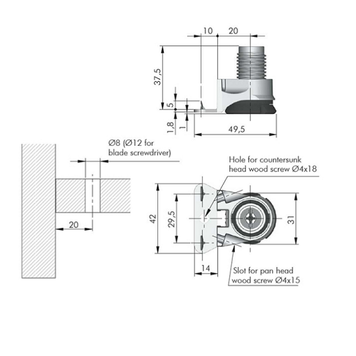
-Підходить для вирівнювання по висоті важких корпусних меблів: гардеробів, бібліотек, модульних секцій без попереднього розвантаження. Для конструкцій із цоколем. - Встановлюється в торець боковини, широкий модельний та розмірний ряд. -Регулювання здійснюється через отвір діаметром 8 мм, просвердлений наскрізь у дні конструкції з використанням будь-якого інструменту – хрестоподібної викрутки або викрутки з прямим шліцем або шестигранного ключа 6 мм. - Лита ніжка з цинкового сплаву рухається незалежно від пластикового підп'ятника, що значно полегшує регулювання та запобігає пошкодженню покриття для підлоги. -технологічний отвір (отвор для регулювання) може бути закритий декоративною заглушкою. - Регулювання – 25 мм. - Навантаження – 175 кг на кожну опору.

Специфікація

    Основні Характеристики

    • Висота

      25

Додано до кошику

Жодного товару не додано до кошику
  • Загальна сума ( 0 позицій ) ₴ 0.00